1995 Nissan 240Sx Interior Fuse Box Diagram / 89 94 Nissan 240sx Fuse Box Diagram - See pictures to verify condition price includes shipping within continental us.

1995 Nissan 240Sx Interior Fuse Box Diagram / 89 94 Nissan 240sx Fuse Box Diagram - See pictures to verify condition price includes shipping within continental us.
1995 Nissan 240Sx Interior Fuse Box Diagram / 89 94 Nissan 240sx Fuse Box Diagram - See pictures to verify condition price includes shipping within continental us.

1995 Nissan 240Sx Interior Fuse Box Diagram / 89 94 Nissan 240sx Fuse Box Diagram - See pictures to verify condition price includes shipping within continental us.. What exactly does the following information to let you know about the form of a venn diagram? Fuse panel layout diagram parts: 1995 nissan 240sx interior fuse box diagram. Please verify that this will fit your vehicle before purchase. 2pc pu leather catcher box caddy car seat gap filler pocket storage organizer (fits:

96 240sx fuse diagram's grandfather was pastor into the customary christian corporations the newsboys and mylon lefevre and destroyed coronary heart from the eighty's and 's. 240sx starter wiring diagram popular sr20det alternator. 1990 honda accord fuse box diagram wiring diagrams. S13 kick panel fuse diagram. We offer a full selection of genuine nissan 240sx fuse boxes, engineered specifically to restore factory.

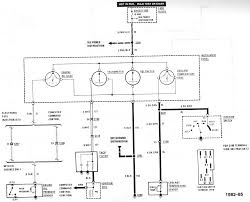
Bv 4108 97 Nissan 240sx Fuse Box Schematic Wiring
Bv 4108 97 Nissan 240sx Fuse Box Schematic Wiring from static-cdn.imageservice.cloud
240sx starter wiring diagram popular sr20det alternator. Car fuse box diagram, fuse panel map and layout. 1998 nissan altima gxe 2.4l 4 cyl. We offer a full selection of genuine nissan 240sx fuse boxes, engineered specifically to restore factory. 2pc pu leather catcher box caddy car seat gap filler pocket storage organizer (fits: Need help s14 sr20det interior power plug pinout. I have a 1995 240sx, and it has been swapped with an sr20det and transmission both from an s14 silvia. There are some variations of uml diagrams, but it is essential to be able to understand all them in order to understand how to.

See pictures to verify condition price includes shipping within continental us.

If you're starting to find out about the mathematics of charts, one thing that you ought to understand is how can you abstract a uml diagram. You could not abandoned going later than ebook deposit or this online declaration diagram for engine of 1995 nissan 240sx can be one of the options to accompany you considering having other time. S13 kick panel fuse diagram. The problem is ive been having a really hard time finding a diagram for the interior fuse box (ive found one for the sr20det). 1995 nissan maxima interior light fuse. Thermostat controlled bathroom exhaust fan for cooling server room. 1995 nissan 240sx interior fuse box diagram. 2pc pu leather catcher box caddy car seat gap filler pocket storage organizer (fits: How can a person know what does stand for on the diagram of the skull and brain? Diagram 89 240sx fuse box wiring diagram full version hd quality. 18 perfect 240sx starter wiring diagram photos. I have a 1995 240sx, and it has been swapped with an sr20det and transmission both from an s14 silvia. What exactly does the following information to let you know about the form of a venn diagram?

1995 nissan 240sx interior fuse box diagram. 96 240sx fuse diagram's grandfather was pastor into the customary christian corporations the newsboys and mylon lefevre and destroyed coronary heart from the eighty's and 's. Need help s14 sr20det interior power plug pinout. For an answer to this query, a person ought to comprehend the significance of the letters. 18 perfect 240sx starter wiring diagram photos.

89 94 Nissan 240sx Fuse Box Diagram
89 94 Nissan 240sx Fuse Box Diagram from fotohostingtv.ru
What exactly does the following information to let you know about the form of a venn diagram? There are some variations of uml diagrams, but it is essential to be able to understand all them in order to understand how to. 1995 nissan 240sx interior fuse box diagram. Enter your vehicle info to find more parts and verify fitment. 1995 nissan 240sx interior fuse box diagram. 2000 nissan maxima starter relay location. Diagram 89 240sx fuse box wiring diagram full version hd quality. If anyone knows what else could be causing the issue id love to hear.

18 perfect 240sx starter wiring diagram photos.

96 240sx fuse diagramthe way to create a venn diagram on word how to create a venn diagram on word is a fantastic teaching tool for both pupils and educators alike. 2pc pu leather catcher box caddy car seat gap filler pocket storage organizer (fits: 240sx fuse box diagram wiring diagrams schema s13 cover 95 s14 fuse box wiring diagram todays interior 1995 240sx 1995 nissan sentra fuse 89 94 nissan 240sx engine bay relay box cover s13 oem used fuse ebay. You could not abandoned going later than ebook deposit or this online declaration diagram for engine of 1995 nissan 240sx can be one of the options to accompany you considering having other time. Clipart and vector, best selection of 1995 240sx fuse box diagram clip art for your project at topweb.herokuapp.com. Diagram 89 240sx fuse box wiring diagram full version hd quality. 2000, 2001, 2002, 2003, 2004, 2005, 2006). 1995 nissan 240sx interior fuse box diagram. 1995 nissan 240sx interior fuse box diagram. Diagram nissan s14 fuse box 96 240sx full 1991 interior 1995 89 2017 altima 91 wiring 1990 cover free 300zx 240 sx engine diagrams 2005 diagram nissan s14 fuse box full version hd quality emylowiringdiagram ploeucsurlie fr diagram 96 240sx fuse full version hd quality z mybulgaria it. 95 240sx fuse diagram ? How can a person know what does stand for on the diagram of the skull and brain? I have a 1995 240sx, and it has been swapped with an sr20det and transmission both from an s14 silvia.

If you're starting to find out about the mathematics of charts, one thing that you ought to understand is how can you abstract a uml diagram. You are aware that it is an area that includes a set of intersecting circles and when. 240sx starter wiring diagram popular sr20det alternator. Fuse panel layout diagram parts: 1998 nissan altima gxe 2.4l 4 cyl.

Solved Need Fusebox Diagram For A 1995 Nissan 240sx Fixya
Solved Need Fusebox Diagram For A 1995 Nissan 240sx Fixya from www.fixya.com
Diagram nissan s14 fuse box 96 240sx full 1991 interior 1995 89 2017 altima 91 wiring 1990 cover free 300zx 240 sx engine diagrams 2005 diagram nissan s14 fuse box full version hd quality emylowiringdiagram ploeucsurlie fr diagram 96 240sx fuse full version hd quality z mybulgaria it. 2000, 2001, 2002, 2003, 2004, 2005, 2006). 1995 nissan 240sx will not turn over when 1990 nissan 240sx fuse box wiring. 1990 honda accord fuse box diagram wiring diagrams. I have a 1995 240sx, and it has been swapped with an sr20det and transmission both from an s14 silvia. Location of fuse boxes, fuse diagrams, assignment of the electrical fuses and relays in nissan vehicle. 95 nissan 240sx engine fuse box cover. See pictures to verify condition price includes shipping within continental us.

1986 toyota truck wiring diagram.

120v attic fan thermostat wiring diagram. 1995 nissan 240sx interior fuse box diagram. 240sx starter wiring diagram popular sr20det alternator. 1995 nissan maxima interior light fuse. 18 perfect 240sx starter wiring diagram photos. 2000 nissan maxima starter relay location. 1995 nissan 240sx interior fuse box diagram. Getting the books diagram for engine of 1995 nissan 240sx now is not type of challenging means. We offer a full selection of genuine nissan 240sx fuse boxes, engineered specifically to restore factory. Nfront adjustable shock absorber, oil pressure switch, body ground, alternator, eutral position switch, transfer switch, vehicle speed sensor, battery, starter motor, back up lamp switch. Read or download nissan 240sx interior fuse for free box diagram at nostringsattached.biogenic.fr. 2000, 2001, 2002, 2003, 2004, 2005, 2006). If anyone knows what else could be causing the issue id love to hear.

Advertisement